在线留言 收藏本站 网站地图欢迎进入星空电子体育网站!

20年专注流体测控设备,畅销全球近200个国家稳定性好、库存充足、支持定制

服务热线:17530107806

青天仪表新闻中心
热式质量星空(中国)采用什么方式测量的

热式质量星空(中国)采用什么方式测量的

热式质量星空(中国)采用热扩散技术进行流量测量。测量探头中有两个温度检测元件(铂热电阻)、RTD1、RTD2和一个恒热源HTR。RTD1用于测量流体介质本身的温度,把它作为参比温度RTD2紧靠着恒热源HTR…
多普勒超声波星空(中国)和时差式超声波星空(中国)的区别

多普勒超声波星空(中国)和时差式超声波星空(中国)的区别

目前我们见到的超声波星空(中国)有两种类型的超声波星空(中国),一种为多普勒超声波星空(中国),另一类为时差式超声波星空(中国)。那么这两种超声波星空(中国)有什么区别吗?大家一起和青天仪表一块来看看吧。第一种:多普勒超声波星空(中国)…
插入式涡街星空(中国)价格

插入式涡街星空(中国)价格

想要确定插入式涡街星空(中国)价格定位,除了需要了解整个行业的报价之外,还要确定各种不同厂家的生产加工情况,因为很多因素都会导致价格定位出现正常的浮动,为了保证综合性价比达到更高标准,满足在实际应用过程中的…
插入式涡街星空(中国)功能异常该怎么办?

插入式涡街星空(中国)功能异常该怎么办?

插入式涡街星空(中国)虽然具有稳定的使用功能,在性能方面很卓越,但难免在实际工作中会出现一些故障问题,尤其是很容易出现功能异常等情况,在这种情况下就会影响到正常的工作流程,如果想避免造成极大损失,建议要注意…
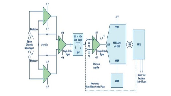
电磁星空(中国)传感器测量的传统方法是什么?

电磁星空(中国)传感器测量的传统方法是什么?

电磁星空(中国)传感器测量的传统方法大致上是模拟式—具有高输入阻抗和高输入共模抑制性能的前置放大器用来应对传感器漏电流效应,然后是三阶或四阶模拟带通滤波器和采样保持级,最后是模数转换。典型模拟前端方法如下图…

咨询热线

17530107806